Palkkitarrain Powertex

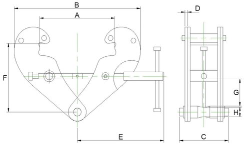
Yleistä: Suunniteltu käytettäväksi erityisesti teattereissa ja viihdeteollisuudessa. Mattamusta väri estää heijastukset. Voidaan säätää eri palkkileveyksille. Matala rakenne, nopea ja helppo asentaa.

Huomautus viihde- ja teatterikäyttöön: Powertex palkkipuristimet on suunniteltu ja sertifioitu t

Näytä lisää

Tuotekoodi:
Powertex
  • Attribute icon

Yleistä: Suunniteltu käytettäväksi erityisesti teattereissa ja viihdeteollisuudessa. Mattamusta väri estää heijastukset. Voidaan säätää eri palkkileveyksille. Matala rakenne, nopea ja helppo asentaa.

Huomautus viihde- ja teatterikäyttöön: Powertex palkkipuristimet on suunniteltu ja sertifioitu teollisten nostostandardien mukaisesti (EN 13155).

Kaikissa käyttökohteissa, joissa kuormat ovat ihmisten yläpuolella, esimerkiksi teatterissa, näyttämöillä tai riggauksessa, koko asennuksen on täytettävä EN 17206 -standardin turvallisuusvaatimukset.

  • Merkintä: Standardin mukaan, CE-merkintä, WLL, sarjanumero ja CE.
  • Pintakäsittely: Maalattu.
  • Standardi: EN 13155
  • Varmuuskerroin: 4:1.
Dokumentit